Services
Renewable Energy
MEP Engineering
Structural Engineering
3D modeling
Case studies
Calculators
Electrical Load Calculator
Electrical Calculations
About
Contact us
Sign In
Services
Renewable Energy
MEP Engineering
Structural Engineering
3D modeling
Case studies
Calculators
Electrical Load Calculator
Electrical Calculations
About
Contact us
Sign In
Sign In
Our customers
Case studies
See how our engineering solutions solved real challenges.
Real projects, real results.
General
Renewable Energy
MEP Engineering
Structural Engineering
3D modeling
Solar roof
See more
Solar roof
See more
Solar roof
See more
Roof Mount PV and ESS
See more
Roof Mount PV and ESS
See more
Ground Mounted PV and ESS
See more
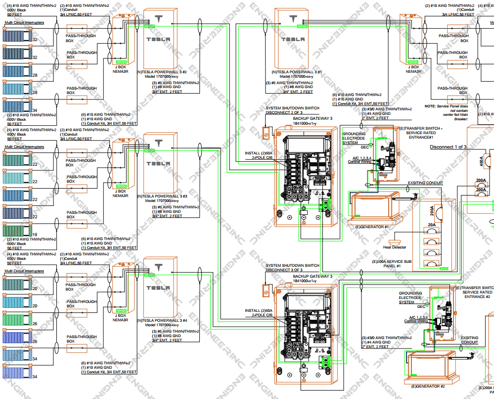
Existing Solar system add New ESS system
See more
2
3
4
5
6
Contact us
Calculator